Просмотры:24 Автор:Pедактор сайта Время публикации: 2025-02-17 Происхождение:Работает
◆ Официальный веб -сайт испанского языка VPC
В пневматических системах символ управления соленоидным клапаном - это схематическая диаграмма, используемая для описания ее функции, обычно состоящей из стрелок , ящиков , ' t ' и английских символов.
Диаграмма соленоидного клапана показывает логику соединения и управления соленоидным клапаном в системе. Символ соленоидного клапана в пневматической схеме следует стандартам ISO 1219 и ANSI.
1. Положение против порта
' Количество позиций ': относится к тому, сколько рабочих позиций имеет катушка клапана соленоидного клапана. Комбалы в графическом символе представляют рабочие позиции клапана, а количество поток представляет количество позиций.

' Количество портов ': относится к количеству неинтерназленных портов на корпусе клапана. Это определяется путем наблюдения за количеством точек на площади, которые пересекаются с линией Два конца линии стрелки представляют два порта, t представляет один порт, а количество точек - это количество портов ». стрелки и линии T.
2 Положение 3 Порт
2 Положение 5 Порт
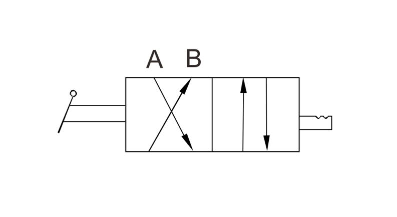
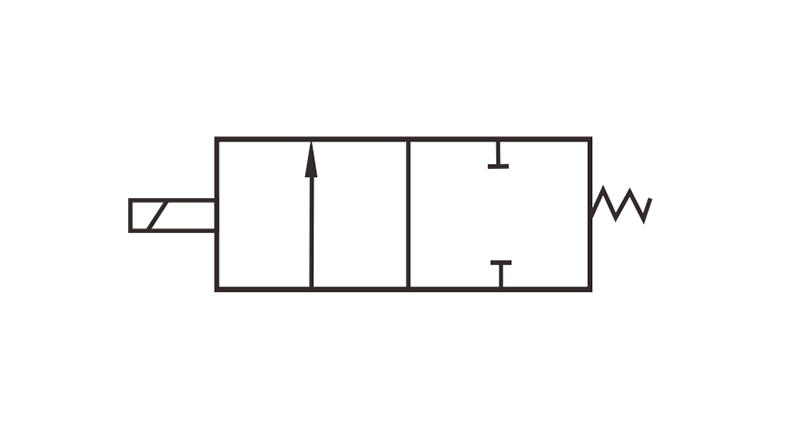
2. Символ соленоидного клапана

① ' □ ' указывает положение катушки клапана, которая обычно представляет собой две или три ящика . Количество поля указывает количество позиций ' . Коробка рядом с катушкой представляет состояние катушки клапана при подаче катушки , а коробка вблизи пружины представляет состояние ядра клапана, когда катушка отменена и пружина сбрасывается.
② '→ ' Указывает, что два порта соединены , но направление стрелки не обязательно указывает на фактическое направление воздушного потока (конкретное направление подвержено фактической ситуации ).
③ '┻ ' или '┳ ' указывает, что порт закрыт.
④ Количество интерфейсов, подключенных к внешней стороне блока, указывает количество портов '.
⑤ шаблон слева представляет соленоидную катушку.
⑥ Узор справа представляет пружину.
⑦ Английские символы представляют порты на корпусе клапана, которые являются рабочим портом , впускного порта и выхлопным портом . Они разделены на трехсторонние, четырехсторонние и пятисторонние.
- Порт впускного отверстия (P): подключитесь к единицам обработки воздуха.
- Рабочий порт (A и B): подключитесь к пневматическому приводу или устройству.
- выхлопной порт (R и S): подключитесь к глушине.
*Статус портов под каждым полевом отличается, что означает, что метод подключения портов в разных положениях катушки клапана изменился.

3. Тип символа соленоидного клапана
4. Типы соленоидного клапана
① На основании метода работы
Соленоидный клапан прямого действия : непосредственно используйте электромагнитную силу , чтобы подтолкнуть катушку для соленоидного клапана для достижения подъема воздушного пути. Работать под низким давлением и небольшим потоком. Быстрое время отклика.
Пневматический пилотный соленоидный клапан : под действием электромагнитной силы пилотный клапан открывается сначала, чтобы позволить воздуху войти в воздушную камеру катушки клапана , а давление воздуха используется для толчки соленоидного клапана для достижения соединения и отключения между воздухом схемы. Подходит для приложений с высоким потоком и высоким давлением.
② на основе конфигурации потока
| Тип клапана | Порты/позиции | Функция | Приложение |
| 2/2-й соленоидный клапан | 2 порта - 2 позиции | Базовый тип . Обычно используется для контроля включения и выключения определенной жидкости. | Подходит для таких приложений, как отключение подачи воздуха и управление жидкостью. |
| 3/2-й соленоидный клапан | 3 порта - 2 позиции | Используется для управления одноактивными пневматическими цилиндрами или пневматическими пилотными клапанами. | Обычно используется в начале и остановке операций пневматических цепей. |
| 4/2-й соленоидный клапан | 4 порта - 2 позиции | Управляет направлением воздушного потока в пневматических цилиндрах двойного действия. | Используется в системах автоматизации, требующих двунаправленного контроля. |
| 5/2-й соленоидный клапан | 5 портов - 2 позиции | Обеспечивает управление направленным для приводов двойного действия. | Обычно используется в промышленных роботах и автоматическом оборудовании. |
| 5/3-направляющий соленоидный клапан | 5 портов - 3 позиции | Позволяет промежуточные позиции остановки для точного управления. Типы центра по центру: центральное закрытое , центральное , давление выхлопных выхлопных центров .. | Для использования в передовых пневматических системах, требующих точного управления воздушным потоком. |
Вышесказанное - это объяснение символа соленоидного клапана. Если у вас есть какие -либо вопросы о техническом , обслуживании , приложения или технических параметрах соленоидных клапанов или других пневматических продуктов, пожалуйста, не стесняйтесь обращаться к VPC.
Мы предоставим вам подробные ответы и техническую поддержку, чтобы помочь вам оптимизировать производительность и эффективность вашей пневматической системы!