Теннесси
VPC Pneumatic
8412310090
| Рабочая среда: | |
|---|---|
| Актерский тип: | |
| Рабочее давление: | |
| Рабочая температура: | |
| Скорость диапазона: | |
| штат: | |
Описание продукта

характеристики продукта
| Заглушка (мм) | 10 | 16 | 20 | 25 | 32 |
| Рабочая среда | Чистый воздух (фильтрация 40 мкм) | ||||
| Актерский тип | Двойная игра | ||||
| Рабочий диапазон давления | От 0,1 до 0,9 МПа | ||||
| Гарантированное давление | 1,5 МПа | ||||
| Рабочая температура | -5 до 70 ℃ | ||||
| Скорость диапазона | От 30 до 500 мм/с | ||||
| Регулируемый ход | -10 до 0 мм | ||||
| Тип подушки | Резиновая подушка | ||||
| Нет точности вращения | 0,4 ° | 0,3 ° | |||
| Размер порта | M5x0.8 | G1/8 | |||
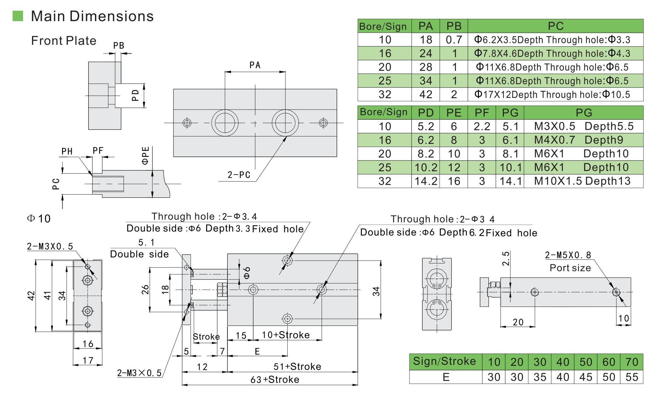
Основные измерения


Содержание страниц российского сайта: https://vpc-pneumatic.com.ru/пневмоцилиндр-дв…роннего-серии-tn/
Товары не найдены