Высокая рецептная головка 5S/время, высокая чувствительность, без застрявших ;
Встроенная схема защиты от всплеска, непосредственно подключенная к ПЛК без дополнительной промежуточной реле ;
Нет конструкции конструкции сброса пружинного воздуха, быстрая скорость отклика, отсутствие усталости, долгой срок службы;
Одиночные двойные катушки являются необязательными, могут быть произвольно сопоставлены;
Многочисленные базы клапанов интегрированы.
СИ3000-5Ф
VPC Pneumatic
8412909000
| Рабочая среда: | |
|---|---|
| Рабочее давление: | |
| Рабочая температура: | |
| Защитный класс: | |
| Тип установки: | |
| штат: | |
Описание продукта

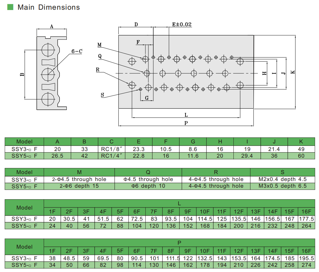
Основные измерения

Товары не найдены