ВПК23-15
VPC
| Стандартное напряжение: | |
|---|---|
| Гарантированное давление: | |
| штат: | |
Описание продукта
Конструкция высокого давления
Рабочее давление 0,2–2,4 МПа, тип H до 0,2–3,5 МПа (2–35 бар), подходит для линий выдувания бутылок высокого давления и промышленных струйных линий.
Быстрый ответ
Время переключения ≤0,04 с (8 мм) и ≤0,08 с (15 мм), обеспечивает частую езду на велосипеде и стабильное время такта машины.
Прочные материалы
Уплотнения из NBR с латунным или алюминиевым корпусом и торцевой крышкой из армированного пластика, рассчитанные на длительный срок службы в суровых условиях.
Длительный срок службы
Проверенный срок службы ≥150 000 циклов, что сокращает время незапланированных простоев и затраты на техническое обслуживание.

Спецификации продукта
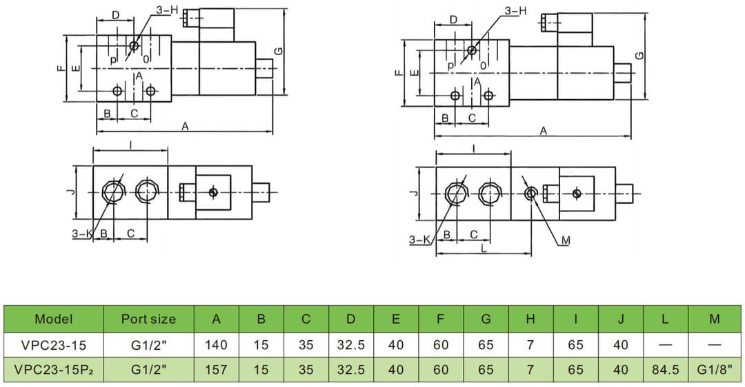
| Модель | VPC23-8 | ВПК23-8П2 | VPC23-15 | ВПК23-15П2 | ВПК23-15Х |
| Рабочая среда | Воздух | ||||
| Актерский тип | Нормальный закрытие | ||||
| Отверстие | 8 мм | 15 мм | |||
| Размер порта | G1/4 | G1/2 | |||
| Рабочее давление | от 0,2 до 2,4 МПа | от 0,2 до 3,5 МПа | |||
| Рабочая температура | -5 до 50 ℃ | ||||
| Seat | Нян | ||||
| Тело | Латунь | Алюминий | |||
| Время вспять | ≤0,04 с | ≤0,08 с | |||
| Чистая площадь сечения | ≥20 м㎡ | ≥60 м㎡ | |||
| Размер порта | ≥150 тысяч раз | ||||
| Смазка | Не обязательно | ||||
| Доступны напряжения | DC12V, DC24V, AC110V, AC220V | ||||
Основные измерения


Каталог PDF
Товары не найдены