5В210-06
VPC
8481804090
| Рабочая среда: | |
|---|---|
| Рабочая температура: | |
| Рабочее давление: | |
| Качественная гарантия: | |
| штат: | |
Описание продукта

характеристики продукта
■ 5В2□0□ Ряд
| Модель | 5В210 | 5В220 | 5В230С | 5В230Э | 5В230П |
| Рабочая среда | Воздух | ||||
| Действующий тип | Внутреннее руководство | ||||
| Размер порта | G1/4' | ||||
| Тип клапана | 2Позиция 5 порт | 3Позиция 5 порт | |||
| Значение CV | 0.67 | 0.58 | |||
| Максимальная действующая частота (Гц) | 12 | 6 | |||
| Время отклика (мс/0,5 МПа) | 15 | ||||
| Рабочее давление | от 0,15 до 0,7 МПа | ||||
| Рабочая температура | от -10 до 60 ℃ | ||||
| Диапазон напряжения | переменный ток: ± 15% постоянный ток: ± 10% | ||||
| Защитный класс | IP65 (ДИН40050) | ||||
| Жаропрочный сорт | B | ||||
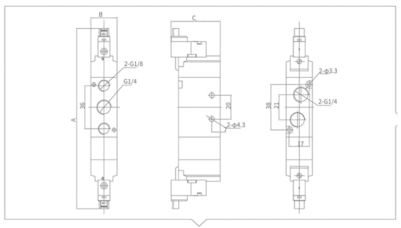
Основные размеры
| Модель | A | B | C | ||
| V тип | Н тип | тип С | |||
| 5В210 | 96 | 97.2 | 102.5 | 22 | 41.3 |
| 5В220 | 119 | 121.4 | 132 | 22 | 41.3 |
| 5В230С | 138 | 140.4 | 151 | 22 | 41.3 |
| 5В230Э | 138 | 140.4 | 151 | 22 | 41.3 |
| 230P | 138 | 140.4 | 151 | 22 | 41.3 |
Товары не найдены