VT307
VPC Pneumatic
| Рабочее давление: | |
|---|---|
| Рабочая температура: | |
| Устойчивость к ударам/вибрации: | |
| Тип срабатывания: | |
| Размер порта: | |
| Тип резьбы: | |
| штат: | |
Описание продукта
Седельные клапаны прямого действия серии VT 3 компактны, но обеспечивают большую пропускную способность и низкое энергопотребление. Серия подходит для использования в вакуумных приложениях.
Клапан VT представляет собой одиночный клапан с 6 функциями (универсальный тип подключения), например, нормально замкнутый клапан, нормально открытый клапан, делительный клапан, селекторный клапан и т. д. Клапан коллекторного типа серии VO можно легко переоборудовать из нормально закрытого режима (нормально закрытый) в нормально открытый (нормально открытый), просто перевернув крышку переключателя.


Спецификация продукта
| Тип привода | Одиночный соленоид с прямым управлением типа 2 |
| Рабочая среда | Воздух |
| Рабочее давление | от 0 до 1 МПа (тип высокого давления), от 0 до 0,7 МПа (стандартный тип) |
| Рабочая температура | -10 до 50 ° C (без замораживания) |
| Время ответа *1) | 20 мс или меньше (при 0,5 МПа) |
| Максимум рабочая частота | 10 Гц |
| Смазка | Не требуется (используйте турбинное масло класса 1 LSO VG32, если смазка.) |
| Ручное переопределение | Push-тип (не блокировка) |
| Монтажная ориентация | Неограниченный |
| Устойчивость к ударам/вибрации *2) | 150/50 м/с² |
| Корпус | Пыльно -надежный |
| Электрическая вход | Втулка, клемма DIN | ||
| Катушка номинальное напряжение | AC (50/60 Гц) | 100 В, 200 В, 110 В*, 220V*, 240V* | |
| Ток | 24 В, 12 В* | ||
| Допустимое колебание напряжения | -15 до +10% от номинального напряжения | ||
| Полная мощность *3, *4) | Атмосфера | Прозвучать | 12,7 ВА (50 Гц), 10,7 ВА (60 Гц) |
| Ток | Держащий | 7,6 ВА (50 Гц), 5,4 ВА (60 Гц) | |
| Потребляемая мощность *3, *4) | Ток | Без индикатора: 4 Вт, С индикатором: 4,2 Вт | |
| Ограничитель светового/перенапряжения (только с разъемом DIN) | Атмосфера | Варистор, светодиод | |
| Ток | Диод, светодиод | ||
* Полупер-стандартный.
*1) На основании динамического теста производительности, JIS B 8419: 2010. (Температура катушки: 20 ° C, при номинальном напряжении, без супрессора напряжения).
*2) Устойчивость к воздействию: неисправность не произошла, когда она проверяется с помощью тестера капель в осевом направлении и под прямым углом к основному клапану и якоре как в энергии, так и в де-регрессовых состояниях каждый раз для каждого условия. (Значения в начальный период)
Сопротивление вибрации: неисправность не произошло в испытании с одним сбором между 45 и 1000 Гц. Тест проводили как в напряженных, так и в де-усиленных состояниях в осевом направлении и под прямым углом к основному клапану и арматуре. (Значения в начальный период)
*3) При номинальном напряжении.
*4) Значение различается для типа непрерывного режима работы (VT307E) и типа энергосбережения (VT307Y/W).
См. раздел «Опции клапана», показанный ниже. Убедитесь, что пыль и/или другие посторонние материалы не попадают в клапан из неиспользуемого порта (например, выпускного отверстия).
| Модель клапана | Размер порта | Характеристики расхода | |||||||||||
| 1 → 2 (P → A) | 2 → 3 (A → R) | 3 → 2 (R → A) | 2 → 1 (A → P) | ||||||||||
C [дм 3/(с·бар)] | b | Резюме | C [дм 3/(с·бар)] | b | Резюме | C [дм 3/(с·бар)] | b | Резюме | C [дм 3/(с·бар)] | b | Резюме | ||
| VT307 | 1/8 | 0.71 | 0.35 | 0.18 | 0.68 | 0.27 | 0.17 | 0.65 | 0.36 | 0.17 | 0.63 | 0.35 | 0.17 |
| VT307V (Вакуумный тип) | 1/8 | ||||||||||||
| VT307E (непрерывный режим работы) | 1/8 | 0.41 | 0.26 | 0.10 | 0.44 | 0.35 | 0.11 | 0.48 | 0.27 | 0.12 | 0.35 | 0.33 | 0.10 |
| VT307Y (Энергосберегающий тип) | 1/8 | ||||||||||||
| VT307W (энергосберегающий, вакуумный тип) | 1/8 | ||||||||||||
| VT307 | 1/4 | 0.71 | 0.31 | 0.19 | 0.71 | 0.25 | 0.17 | 0.68 | 0.33 | 0.17 | 0.71 | 0.26 | 0.18 |
| VT307V (тип вакуума) | 1/4 | ||||||||||||
| VT307E (непрерывный режим работы) | 1/4 | 0.49 | 0.20 | 0.12 | 0.44 | 0.34 | 0.11 | 0.48 | 0.17 | 0.12 | 0.46 | 0.28 | 0.11 |
| VT307Y (Энергосберегающий тип) | 1/4 | ||||||||||||
| VT307W (энергосберегающий, вакуумный тип) | 1/4 | ||||||||||||
Тип непрерывного режима работы: VT307E
Использование исключительно VT307E рекомендуется для непрерывной работы с длительной нагрузкой.
▲ ВНИМАНИЕ
1. Эта модель предназначена для непрерывной работы, а не для высокой частоты циклов. Но даже при низкой частоте циклов, если клапан подается более одного раза в день, проконсультируйтесь с VPC.
2. Энергализация соленоида следует выполнять не реже одного раза в 30 дней.
Технические характеристики, отличные от стандарта, следующие.
| Полная мощность/переменный ток | Прозвучать | 7,9 ВА (50 Гц), 6,2 ВА (60 Гц) |
| Держащий | 5,8 ВА (50 Гц), 3,5 ВА (60 Гц) | |
| Потребляемая мощность/постоянный ток | 1,8 Вт, с индикатором: 2 Вт | |
| Время ответа* | 30 мс или меньше (при 0,5 МПа) | |
*См. стандартные «Технические характеристики» на стр. 2 *1.
Энергосберегающий тип: VT307Y (VT307W)
Если для электронного управления требуется низкое энергопотребление, рекомендуется использовать VT307Y(W)» (1,8 Вт). Технические характеристики, отличающиеся от стандартных, заключаются в следующем.
| Потребляемая мощность/постоянный ток | 1,8 Вт, с индикатором: 2 Вт |
| Время ответа* | 25 мс или меньше (при 0,5 МПа) |
* См. стандартные «Технические характеристики» на стр. 2 *1.
Спецификация вакуума. тип: ВТ307В (VT307W)
Эта вакуумная модель имеет меньше утечки воздуха, чем стандартная модель под низким давлением. Это рекомендуется для вакуумного применения.
| Рабочий диапазон давления | -101,2 кПа до 0,1 МПа |
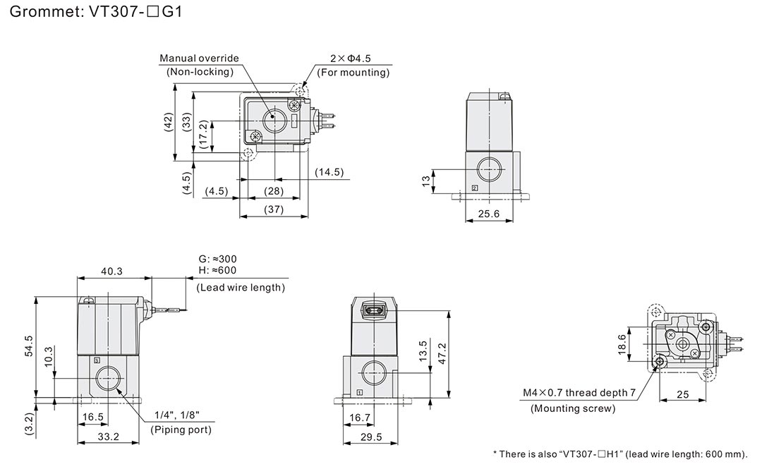
Основные измерения


Каталог PDF
Товары не найдены