AC40A-04E-VD
VPC Pneumatic
| Рабочая среда: | |
|---|---|
| Номинальная степень фильтрации: | |
| Рабочая температура: | |
| Испытательное давление: | |
| Макс.Рабочее давление: | |
| штат: | |
Описание продукта
Большинство функций моделей AC-A и AC-B были реализованы в прозрачном кожухе чаши AC-D для обеспечения полной видимости;встроенные манометры и реле давления;уменьшенное пространство для обслуживания и упрощенная замена элементов для фильтров серии AF-D.
1. Модульная конструкция с единым корпусом.Монтаж взаимозаменяем с существующим продуктом
2. Расширенный ассортимент трубных адаптеров, интерфейсов и модульных реле давления.
3. Простая замена элемента.Элемент и чаша составляют единое целое.Замена может производиться вручную.
4. Регулятор энергосбережения.Падение давления: макс.50% улучшение
5. Уменьшенное пространство для обслуживания: Макс.46% снижение
6. Доступны резьбы Rc, NPT или G.
Пример заказа:
Вариант/полустандарт: выберите по одному для a к j.
Вариант/Полустандартный символ: Если требуется более одной спецификации, укажите в буквенно-цифровой порядок.
Модель: AC30A-F03DE1-16НР-Д


*1) Дренажная направляющая имеет резьбу NPT1/8 (применимо к AC20A-D) и NPT1/4 (применимо к AC30A-D до AC60A-D).Порт автоматического слива имеет диаметр Φ3/8'. Установка в одно касание (применимо к моделям AC30A-D–AC60A-D).
*2) Сливная направляющая G1/8 (применимо к AC20A-D) и G1/4 (применимо к AC30A-D до AC60A-D).
*3) Когда давление не подается, конденсат, который не запускает механизм автоматического слива, остается в чаше.Выпуск остаточного конденсата перед окончанием операций в течение дня рекомендуется.
*4) Если компрессор небольшой [0,75 кВт, расход нагнетания менее 100 л/мин (ANR)), во время работы может произойти утечка воздуха из сливного крана. начало операций.Рекомендуется тип NC.
*5) Если установлен манометр, для стандартного типа (0,85 МПа) будет установлен манометр на 1,0 МПа.Манометр на 0,4 МПа для типа 0,2 МПа.
*6) В некоторых случаях давление может быть установлено выше указанного в спецификации, но используйте давление в пределах указанного диапазона.
*7) Защитный кожух входит в стандартную комплектацию (поликарбонат).
*8) Защитный кожух входит в стандартную комплектацию (нейлон).
*9) Комбинация автоматических сливов поплавкового типа C и D недоступна.
*10) Без функции клапана.
*11) Комбинация металлической чаши 2 и 8 недоступна.
*12) При выборе W: Сливной порт регулятора фильтра, сливной кран лубрикатора будет с зазубренными фитингами.
*13) Для трубной резьбы: NPT
Нельзя использовать с M: Манометр круглого типа (с цветовой зоной).Доступно по специальному заказу. Цифровой переключатель давления будет оснащен с функцией выбора единицы измерения, первоначально установленной на psi.
*14) Для опций: E1, E2, E3, E4
*15) : Для трубной резьбы: только NPT.
*16) △: Выберите с вариантами: E1, E2, E3, E4.
характеристики продукта
| Модель | AC20A-D | AC30A-D | AC40A-D | AC40A-06-D | AC50A-D | AC60A-D | |
| Компонент | Регулятор фильтра[AW] | AW20-D | AW30-D | AW40-D | AW40-06-D | AW50-D | AW60-D |
| Лубрикатор[AL] | АЛ20-Д | АЛ30-Д | АЛ40-Д | АЛ40-06-Д | АЛ50-Д | АЛ60-Д | |
| Размер порта | 1/8, 1/4 | 1/4, 3/8 | 1/4, 3/8, 1/2 | 3/4 | 3/4, 1 | 1 | |
| Размер порта манометра *1) [АВ] | 1/8 | ||||||
| Рабочая среда | Чистый воздух | ||||||
| Рабочая температура*2) | от -5 до 60°C (без замерзания) | ||||||
| Испытательное давление | 1,5 МПа | ||||||
| Макс.Рабочее давление | 1,0 МПа | ||||||
| Минимум автоматического слива рабочее давление | НЗ [АВ] | 0,1 МПа | 0,15 МПа | ||||
| НЕТ [АВ] | — | 0,1 МПа | |||||
| Установите диапазон давления [AW] | от 0,05 до 0,85 МПа | ||||||
| Номинальная степень фильтрации [AW] | 5 мкм | ||||||
| Класс чистоты сжатого воздуха*3) | ИСО 8573-1:2010 [6:4:-]*4) | ||||||
| Пропускная способность [AW] | 8 см³ | 25 см³ | 45 см³ | ||||
Мин.скорость капельного потока*5) [АЛ] | 15 л/мин (ANR) | Размер порта 1/4: 30 л/мин (ANR) Размер порта 3/8: 40 л/мин (ANR) | Размер порта 1/4: 30 л/мин (ANR) Размер порта 3/8: 40 л/мин (ANR) Размер порта 1/2: 50 л/мин (ANR) | 50 л/мин (ANR) | 190 л/мин (ANR) | 220 л/мин (ANR) | |
| Емкость масла [AL] | 25 см³ | 55 см³ | 135 см³ | ||||
| Рекомендуемая смазка [AL] | Турбинное масло класса 1 (ISO VG32) | ||||||
| Материал чаши [AW/AL] | Поликарбонат | ||||||
| Защита чаши [AF/AL] | Полустандарт (сталь) | Стандарт (поликарбонат) | |||||
| Строительство [Авт] | Тип сброса | ||||||
*1) Резьба для подключения манометра недоступна для блока FRL с манометром квадратного встроенного типа или с цифровым реле давления.
*2) от -5 до 50°C для изделий с цифровым реле давления.
*3) Класс чистоты сжатого воздуха указан на основании стандарта ISO 8573-1:2010 «Сжатый воздух. Часть 1. Загрязнения и классы чистоты».
*4) Класс качества сжатого воздуха на стороне всасывания [ 7 : 4 : 4 ].
*5) Скорость потока составляет 5 капель или больше в минуту при следующих условиях: давление на входе 0,5 МПа;Турбинное масло класса 1 (ISO VG32);Температура при 20°С; Клапан регулировки масла полностью открыт. Для контура, который постоянно включается и выключается на стороне выхода, отрегулируйте его таким образом, чтобы средний расход воздуха в минуту стал минимальная скорость капельного потока или более.
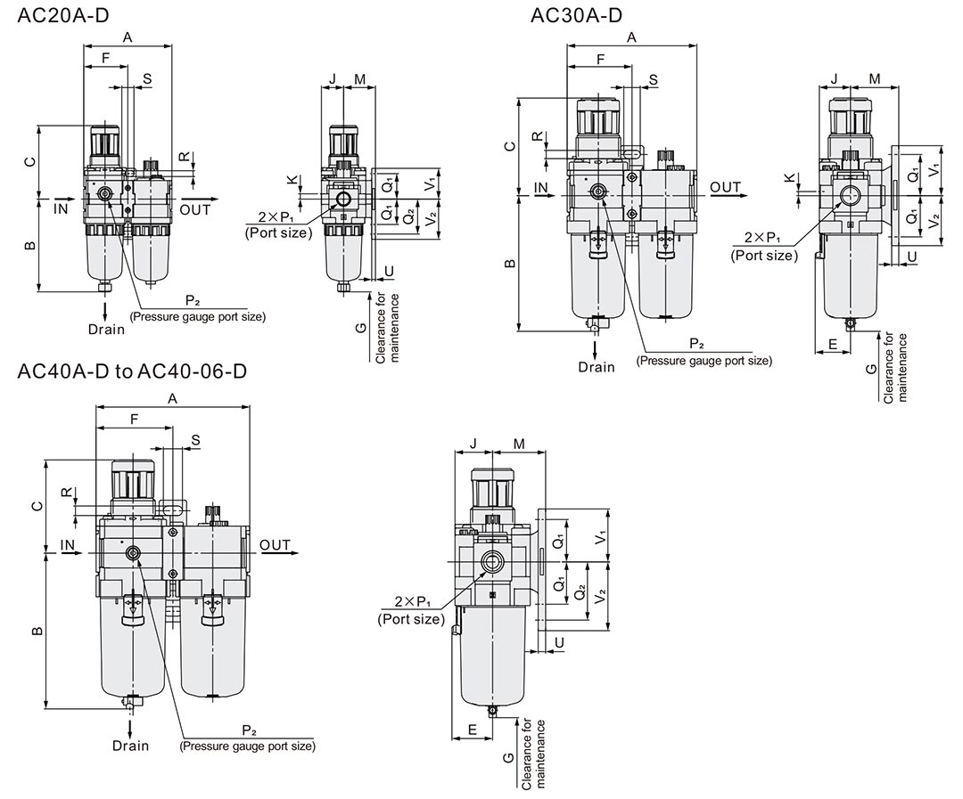
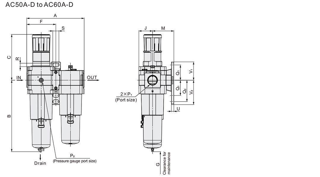
Основные размеры




С 3-ходовым клапаном сброса давления (V)




Каталог PDF
Товары не найдены