VBAT10A-FSV-Q
VPC Pneumatic
| Материал корпуса регулятора Bbooster: | |
|---|---|
| Рабочее давление: | |
| Емкость бака: | |
| Материал танка: | |
| штат: | |
Описание продукта
Резервуары VBAT-Q сертифицированы CE для использования в Европе и других странах, где требуется соответствие Европейской директиве по оборудованию, работающему под давлением (PED).
1. Компактные соединения возможны с помощью бустерных регуляторов.
2. Простая установка.
3. Низкое тепловыделение. Выделяется очень мало тепла, поскольку не используется электричество, и происходит воздействие на цилиндры, электромагнитные клапаны и т. д.
4. Его можно использовать отдельно как резервуар.
5. Также частично совместим с зарубежными стандартами.


* При использовании в качестве единого блока (не подключенного к бустерному регулятору) и при давлении более 1 МПа при нормальных температурах.
характеристики продукта
| Модель | VBAT05A□-SV-Q | VBAT10A□-SV-Q | VBAT20A□-RV-Q | VBAT38A□-RV-Q |
| Рабочая среда | Компрессор воздушный | |||
| Емкость бака | 5 л | 10 л | 20 л | 38 л |
| Макс.рабочее давление | 2,0 МПа | 1,0 МПа | ||
| Размер входного порта | 3/8 | 1/2 | 3/4 | |
| Размер выходного порта | 3/8 | 1/2 | 1/2 | 3/4 |
| Испытательное давление | 3,3 МПа | 1,6 МПа | ||
| Рабочая температура | от 0 до 75 ℃ | |||
| Монтаж | Горизонтальный (Напольный монтаж) | |||
| Масса | 6,6 кг | 10 кг | 14 кг | 21 кг |
| Материал | Углеродистая сталь (SS400) | |||
| Краска | Снаружи: Серебряная краска. Внутри: Нержавеющая краска. | |||
*1) Аксессуары находятся в одном контейнере.
*2) Царапины, потертости, пятна и неровный цвет могут присутствовать на поверхности, но они не влияют на функциональность или производительность продукта.
| Модель | VBAT05A□-SV-Q | VBAT10A□-SV-Q | VBAT20A□-RV-Q | VBAT38A□-RV-Q |
| Комплект аксессуаров | ВБАТ5А-Y-2 | ВБАТ10А-Y-2 | ВБАТ20А-Y-2 | |
| Предохранительный клапан | ВБАТ-С (Давление настройки: 2 МПа) | ВБАТ-Р (Установочное давление: 1 МПа) | ||
| Сливной клапан | ВБАТ-В1 | |||
Комплект аксессуаров представляет собой набор №№. ① к ⑤.
| Нет. | Модель | ВБАТ5А-Y-2 | ВБАТ10А-Y-2 | ВБАТ20А-Y-2 |
| Описание | Количество | |||
| ① | Сборка шин (с уплотнительным кольцом) | 1 | 1 | 1 |
| ② | Коническая резьбовая пробка с шестигранной головкой под торцевой ключ (для дренажного порта) | 1 | 1 | 1 |
| ③ | Винт с шестигранной головкой | 4 | 4 (ВБА1□А) 4 (ВБА2□А) | 4 |
| ④ | Анкерный болт/гайка | — | — | 4 |
| ⑤ | Коническая резьбовая пробка с шестигранной головкой под торцевой ключ (для порта предохранительного клапана) | 1 | 1 | 1 |

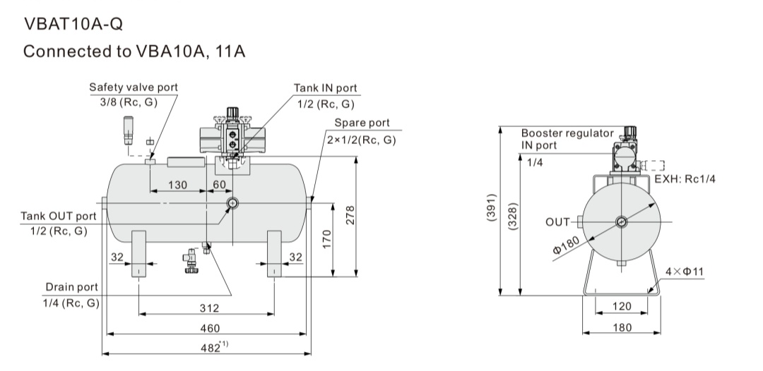
Основные размеры
■ Основные размеры

*1) Длина может быть больше, чем указано в спецификации, если заглушки, установленные на баке, не подходят до конца.
*2) Заглушка запасного порта надежно закреплена клеем.Вынимая заглушку для использования порта, будьте осторожны, чтобы не повредить заглушку.


*1) Длина может быть больше, чем указано в спецификации, если штифты, установленные на баке, не подходят до конца.
*2) Заглушка запасного порта надежно закреплена клеем.Вынимая заглушку для использования порта, будьте осторожны, чтобы не повредить заглушку.

*1) Длина может быть больше, чем указано в спецификации, если заглушки, установленные на баке, не подходят до конца.
*2) Заглушка запасного порта надежно закреплена клеем.Вынимая заглушку для использования порта, будьте осторожны, чтобы не повредить заглушку.
(мм)
| Режим бустерного регулятора | A | B | C | Д* |
| ВБА20А | 481 | 394 | Пк3/8 | — |
| ВБА40А | 520 | 429.8 | Рк1/2 | — |
| ВБА22А | 444 | 394 | Пк3/8 | 469 |
| ВБА42А | 477 | 429.8 | Рк1/2 | 493 |

*1) Длина может быть больше, чем указано в спецификации, если заглушки, установленные на баке, не подходят до конца.
*2) Заглушка запасного порта надежно зафиксирована клеем.Вынимая заглушку для использования порта, будьте осторожны, чтобы не повредить заглушку.
(мм)
| Режим бустерного регулятора | A | B | C | Д* |
| ВБА20А | 531 | 444 | Пк3/8 | — |
| ВБА40А | 570 | 479.8 | Рк1/2 | — |
| ВБА22А | 494 | 444 | Пк3/8 | 519 |
| ВБА42А | 527 | 479.8 | Рк1/2 | 543 |
Каталог PDF
Товары не найдены